Skrýt sortiment Sortiment
Kontakty
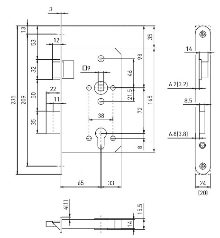
Kování a doplňkový materiál Dveřní kliky, závěsy, zámky Zámky TWIN Dveřní zámek BMH 1000 PZW/65/72/20/0/9 L

TWIN Dveřní zámek BMH 1000 PZW/65/72/20/0/9 L

Kód sortimentu 422592
Základní cena za bal
499 Kč 603,79 Kč s DPH
Na objednávku
Koupit
Značka
Twin
Kód skupiny
104504
Jednotka (MJ)
bal
Rozbalitelnost
1 bal
Balení
1 bal
Popis a parametry

Fotky jsou pouze ilustrativní, skutečná barva povrchu je uvedena v názvu.

Níže uvádíme seznam zkratek pro lepší orientaci skutečného provedení.

Povrch:

CM - černý mat

E - nerez matný

XR - inoxchrom

Z - zirkonium

AN - antik

CP - černá patina (Povrchová úprava černá patina se částečně vyrábí ručním opracováním, a proto je každý kus jedinečným originálem)

A - mosaz lesklá

ABR - mosaz patina (bronz)

A-SAT - mosaz matná

CH - chrom lesklý

CH-SAT - chrom matný

NI-SAT - nikl matný

NI-SAT-A - nikl matný antracit

SM – staromosaz (jedinečným charakterem povrchu staromosaz (SM) je, že je určen k vytvoření přirozené nesouměrné povrchové patiny)

F1 - eloxovaný hliník, barva stříbrná

F4 - eloxovaný hliník, barva bronz

F9 - eloxovaný hliník, barva nerez

Jedná se o obecný seznam zkratek barev používaný u produktů TWIN a dostupnost konkrétní varianty je nutno ověřit.

Naposledy navštívené