Skrýt sortiment Sortiment
Kontakty

MILADESIGN stolová noha centrální ST855NT SDE stříbrná

Kód sortimentu 267840
Základní cena za ks
2 441,95 Kč 2 954,76 Kč s DPH
Na objednávku
Koupit
Značka
Mila Design
Kód skupiny
108006
Jednotka (MJ)
ks
Rozbalitelnost
1 ks
Balení
54 ks
Popis a parametry

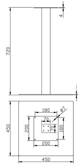
Stol. noha centr. ST 855NT SDE stříbrná
Centrální podnož čtvercová (spodní díl 450x450x6 mm, profil nohy 70x70 mm)
Barva RAL 9006
pro desky max. 800x800 nebo prům. 900
Rozměry: 450x450x730H, váha 13,2 kg
Pro tloušťku stolové desky maximálně 20 - 25 mm

Související dokumenty

Technický popis

Parametry

Parametr Hodnota
Barva Stříbrná
Rektifikace Ne
Tvar nohy Hranatá
Tvar základny Čtvercová
Výška (mm) 715