Skrýt sortiment Sortiment
Kontakty

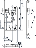
HOBES K 134 zámek 72/80 BB zinek bílý

Kód sortimentu 260301
Základní cena za ks
380,22 Kč 460,07 Kč s DPH
Na objednávku
Koupit
Značka
N/A
Kód skupiny
104504
Jednotka (MJ)
ks
Rozbalitelnost
1 ks
Balení
1 ks
Popis a parametry

Stavební zadlabávací zámek Hobes K134 pro běžný dozický klíč (BB) o hloubce 80mm, osové vzálenosti 80mm, rozteči 72mm. Povrchová úprava zinek bílý. Dvouzápadový, bez převodu, s otvory pro dělené štíty, Rozměr čela 220*20mm. Včetně 1 klíče.

Parametry

Parametr Hodnota
Klíčová verze BB