Skrýt sortiment Sortiment
Kontakty

HETTICH 9155233 Intermat 9936 alu B13,5 TA22

Kód sortimentu 300801
Základní cena za ks
57,99 Kč 70,17 Kč s DPH
Na objednávku
Koupit
Značka
Hettich
Kód skupiny
101001010102
Jednotka (MJ)
ks
Rozbalitelnost
1 ks
Balení
50 ks
Popis a parametry

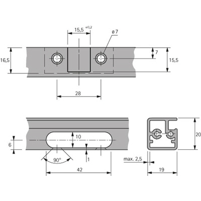
Závěs s klipovou technikou, naložený. Kvalita v souladu s EN 15570, úroveň 2. Pro hliníkové rámové profily šířky 19 mm. Integrované seřízení naložení + 2 mm, - 2 mm. Integrované seřízení hloubky + 2,5 mm, - 1,5 mm. Seřízení výšky montážní podložkou. Miska TA22 / D k použití s volitelným tlumičem Silent System s klipovou montáží. Materiál ramínka závěsu: ocel niklovaná. Materiál misky závěsu: zinkový odlitek poniklovaný. Včetně 2 upevňovacích šroubů.


Do 24 (48) hodin

Související dokumenty

Dokumentace

Parametry

Parametr Hodnota
Montáž do materiálu Neuvedeno
Montáž na podložku K naklapnutí
Úhel otevření 95