Skrýt sortiment Sortiment
Kontakty
Kování a doplňkový materiál Drátěný program Kuchyňský Rohové skříňky HETTICH 9080040 Otočné kování rohové dolní skříně se skládanými dveřmi Revo 90°

HETTICH 9080040 Otočné kování rohové dolní skříně se skládanými dveřmi Revo 90°

Kód sortimentu 107543
Základní cena za ks
6 002,33 Kč 7 262,81 Kč s DPH
Doprodej
Více informací
Koupit
Značka
Hettich
Kód skupiny
10600102
Jednotka (MJ)
ks
Rozbalitelnost
1 ks
Balení
1 ks
Popis a parametry

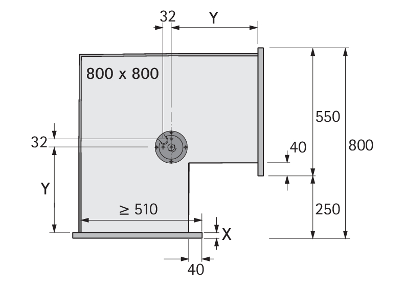
Otočné kování rohové dolní skříně se skládanými dveřmi. Pro rozměry korpusu 800x800 a 900x900 mm. S integrovaným tlumením Silent System. Pro světlé výšky skříněk 660 - 860 mm. Není nutné uchycení na půdu. S rychlomontážním systémem ClickFixx. Police se objednávají samostatně.

Do vyprodání zásob

Související dokumenty

Montážní návod Dokumentace

Parametry

Parametr Hodnota
Barva Stříbrná
Typ rohové skříňky Otočná