Skrýt sortiment Sortiment
Kontakty

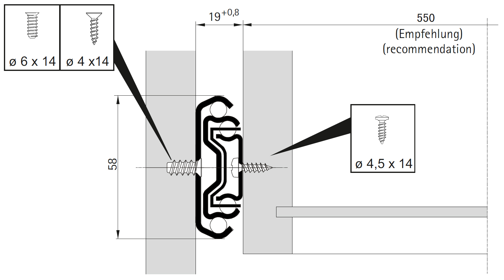
HETTICH 41395 KA 4620 550 mm EB19 90 kg

Kód sortimentu 104104
Základní cena za sada
1 687,54 Kč 2 041,92 Kč s DPH
Na objednávku
Koupit
Značka
Hettich
Kód skupiny
10200301
Jednotka (MJ)
sada
Rozbalitelnost
1 sada
Balení
1 sada
Popis a parametry

Kuličkový plnovýsuv s přesahem pro dřevěné zásuvky, montážní šířka 19 mm, nosnost 90 kg. Se zarážkou a pojistkou proti nechtěnému vysunutí. Pomocí páčky lze výsuv rozdělit a zásuvku tak jednoduše vyjmout z korpusu.

Termín dodání od 8-ti do 21 dní.

Související dokumenty

Montážní návod

Parametry

Parametr Hodnota
Délka (mm) 550
Nosnost (kg) 90
Pohyb výsuvu Bez tlumení
Typ výsuvu Celovýsuv

Naposledy navštívené