Skrýt sortiment Sortiment
Kontakty
Kování a doplňkový materiál Zásuvkové výsuvy Kuličkové Bez tlumení HETTICH 41392 KA 4620 400 mm kuličkový celovýsuv EB19 90 kg

HETTICH 41392 KA 4620 400 mm kuličkový celovýsuv EB19 90 kg

Kód sortimentu 104101
Základní cena za sada
1 327,89 Kč 1 606,75 Kč s DPH
Na objednávku
Koupit
Značka
Hettich
Kód skupiny
10200301
Jednotka (MJ)
sada
Rozbalitelnost
1 sada
Balení
1 sada
Popis a parametry

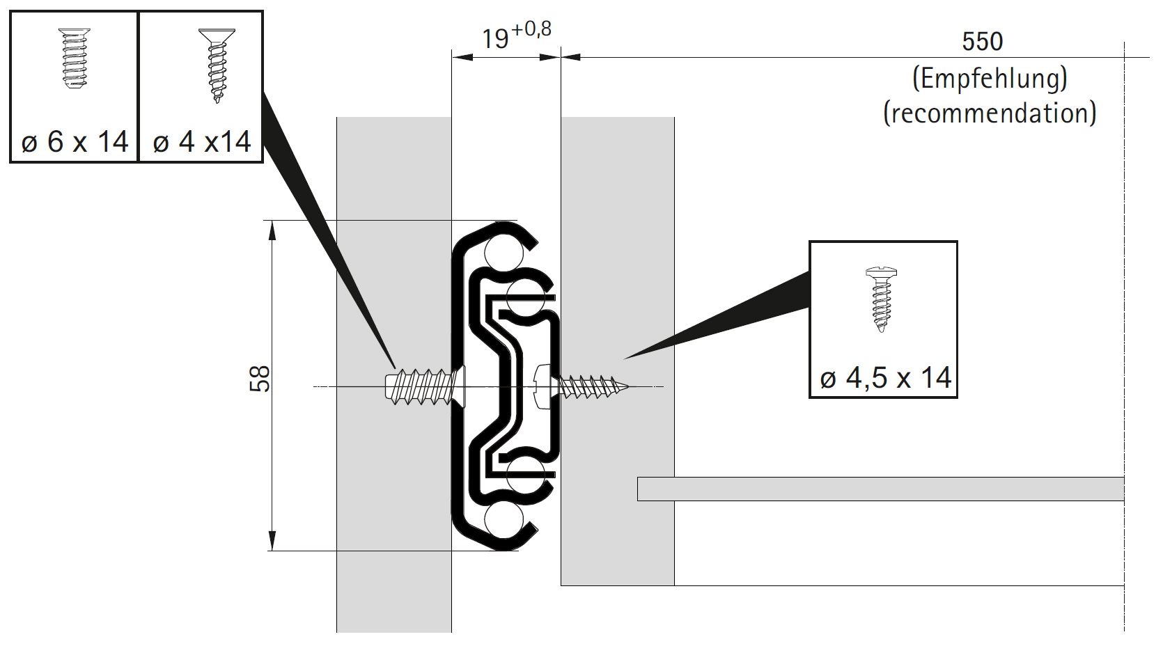
Kuličkový plnovýsuv s přesahem pro dřevěné zásuvky, montážní šířka 19 mm, nosnost 90 kg. Se zarážkou a pojistkou proti nechtěnému vysunutí. Pomocí páčky lze výsuv rozdělit a zásuvku tak jednoduše vyjmout z korpusu.

Termín dodání od 8-ti do 21 dní.

Související dokumenty

Montážní návod

Parametry

Parametr Hodnota
Délka (mm) 400
Nosnost (kg) 90
Pohyb výsuvu Bez tlumení
Typ výsuvu Celovýsuv